当前位置:首页 > 政务公开

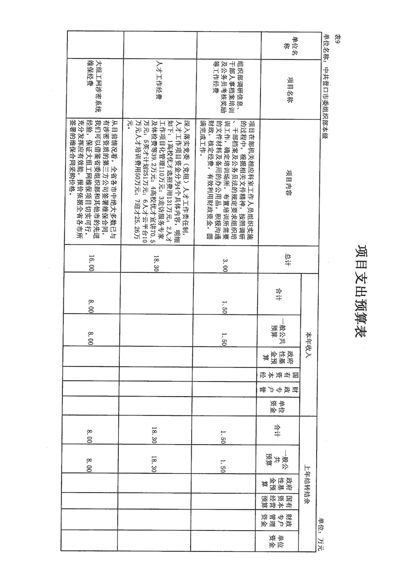
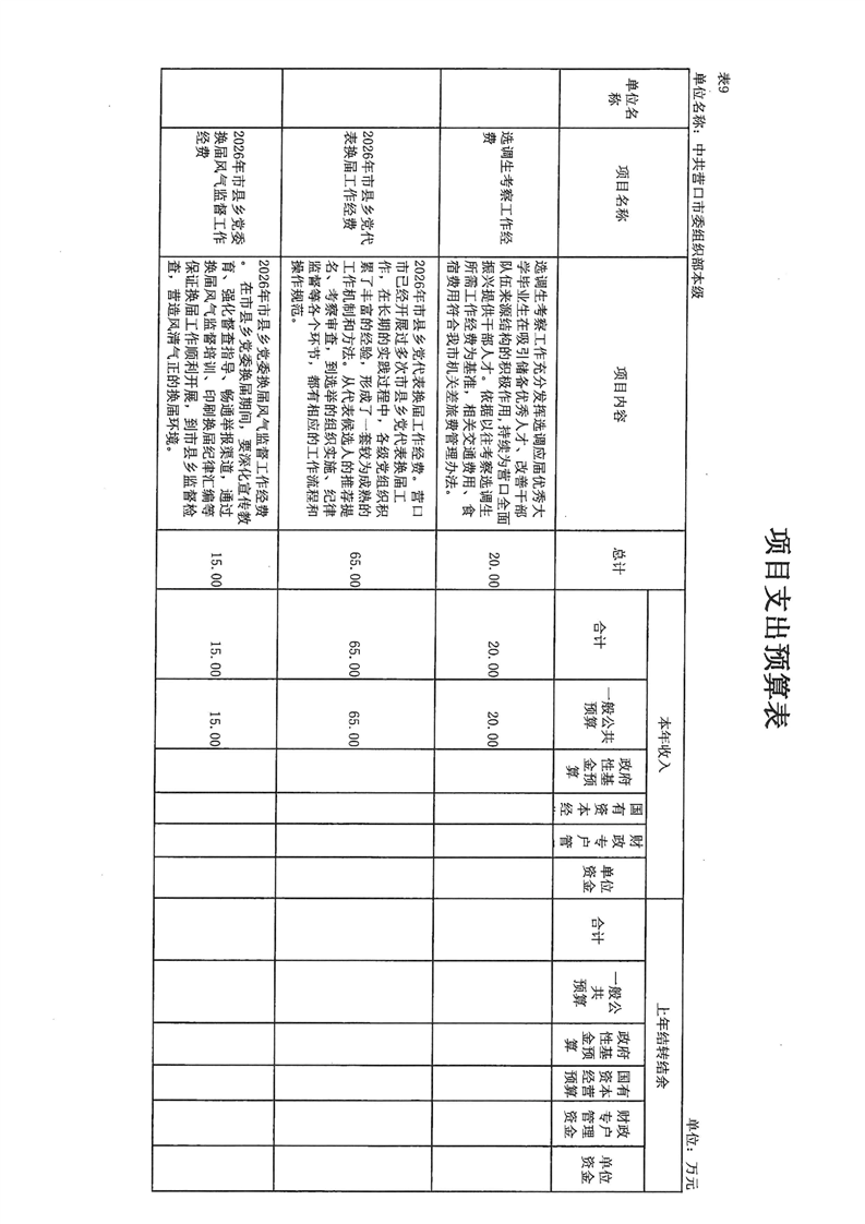
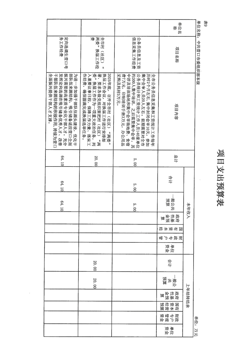
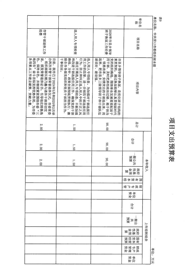
中共营口市委组织部本级2026年度单位预算公开

发布时间:2026-02-02

【字号:

分享:


















































  • 附件:
  • 视频:
扫一扫在手机打开当前页